Eficiență energetică:
Focar Intra SM Mini se bucură de o clasificare energetică de nivel A, ceea ce indică un randament ridicat și o utilizare eficientă a combustibilului, contribuind la reducerea costurilor și a impactului asupra mediului.
Putere de încălzire:
Focarul funcționează într-un interval de putere cuprins între 4 kW și 12 kW, oferind flexibilitate în funcționare în funcție de nevoile utilizatorului. Puterea nominală, adică puterea la care focarul funcționează optim pe termen lung, este de 10 kW.
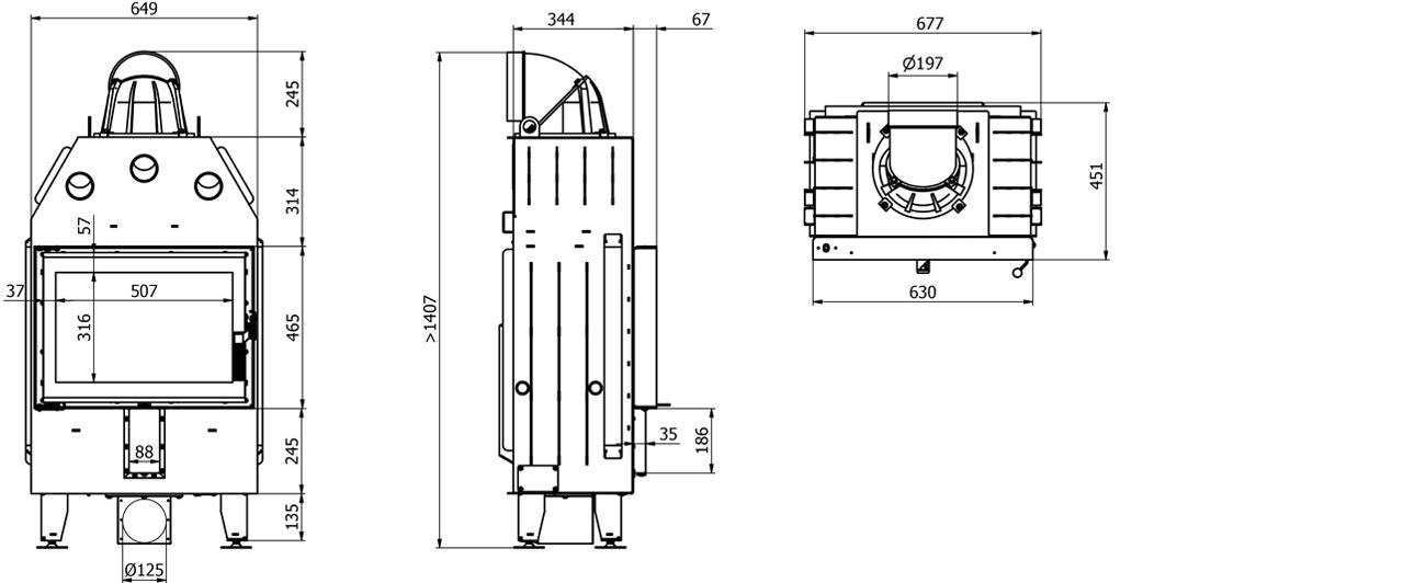
Dimensiunile ușii și caracteristici:
Ușa focarului Intra SM Mini are o dimensiune generoasă de 581 mm x 430 mm, oferind o vedere amplă asupra flăcării și facilitând introducerea lemnelor cu o lungime de până la 35 cm. Deschiderea ușii este normală, oferind acces ușor la focar.
Eficiența de funcționare:
Eficiența medie: 80,1%
Eficiența maximă: 90%
Aceste cifre demonstrează faptul că focarul valorifică lemnele în mod eficient, pierderile de energie fiind minime, ceea ce se traduce printr-un consum redus de combustibil.
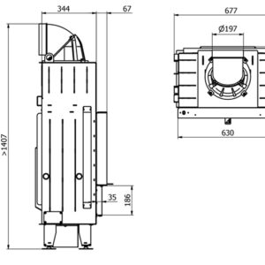
Sistem de evacuare:
Focarul dispune de un diametru de evacuare de 200 mm, ceea ce permite un flux eficient al gazelor de ardere. Temperatura gazelor evacuate este de 267°C, un indicator important pentru performanțele de ardere.
Priză de aer proaspăt:
Acest model este echipat cu o priză de aer proaspăt, ceea ce permite focarului să își ia aerul de ardere direct din exterior, optimizând arderea și îmbunătățind siguranța și eficiența energetică.
Emisii:
Emisii de CO: 0.07%
Focarul este foarte ecologic, având emisii de monoxid de carbon foarte reduse, ceea ce contribuie la protejarea mediului.
Tehnologii de ardere:
Focarul Intra SM Mini este dotat cu sistem de dublă combustie, care permite o ardere mai completă a combustibilului, reducând astfel deșeurile și emisiile. În plus, sistemul de ardere curată optimizează eficiența energetică și menține geamul curat mai mult timp.
Dimensiuni și greutate:
Cu o greutate de aproximativ 185 kg, focarul este robust și durabil, ceea ce asigură o stabilitate ridicată și o durată de viață extinsă.
Opțiuni suplimentare (contra cost):
Ceramiton negru – pentru o estetică modernă și o mai bună acumulare a căldurii.
Maner pe cealaltă parte – pentru mai multă versatilitate în configurarea ușii.
Maner negru – pentru un design mai sobru și elegant.
Acumulare Thermoblock – pentru stocarea căldurii și eliberarea treptată a acesteia.
Geam termopan – oferă un plus de izolație termică și protecție.
Garanție:
Focarul beneficiază de o garanție de 5 ani, asigurând o fiabilitate de lungă durată și o protecție pe termen lung pentru utilizator.











